Multi-Axis Torque 100N-5000N Multi-dimensional Force Sensor Multi-component Force for Robot Arm Automation Testing Equipment
Brand SOP
Product origin JiangXi
Delivery time 3-7days
Supply capacity 3000PC/day
1.SOPDW-005 is a type of sensor that can simultaneously measure forces or moments in multiple directions. Sensors based on resistance strain gauges convert force or torque into electrical signals by utilizing the characteristic of resistance changes when subjected to force. It has high stiffness, high natural frequency, and high load resistance, suitable for dynamic measurement.
2.Compact structure, easy installation, and small space occupation.
3.Compensation or shielding is required due to environmental factors such as temperature, humidity, and electromagnetic interference.
4.The measurement signal may have crosstalk or nonlinearity, and our company Can be calibrated or decoupled.
5.It can be used in fields such as machinery, robotics, and biomedical engineering to analyze and control the mechanical properties of objects.

Products Description

SOPDW-005
1.SOPDW-005 is a type of sensor that can simultaneously measure forces or moments in multiple directions. Sensors based on resistance strain gauges convert force or torque into electrical signals by utilizing the characteristic of resistance changes when subjected to force. It has high stiffness, high natural frequency, and high load resistance, suitable for dynamic measurement.
3.Compensation or shielding is required due to environmental factors such as temperature, humidity, and electromagnetic interference.
5.It can be used in fields such as machinery, robotics, and biomedical engineering to analyze and control the mechanical properties of objects.
Product Paramenters

| Measuring Range | 100-5000N | Texture of Material | Aluminum Alloy/Alloy Steel |
| Output Sensitivity | 1.0-2.0mV/V | Impedance | 700Ω |
| Zero Point Output | ±2%F.S. | Insulation Resistance | 5000MΩ/100VDC |
| Nonlinear | 0.3%F.S. | Using Voltage | 5-15v |
| Hysteresis | 0.1%F.S. | Working Temperature Range | -20-75℃ |
| Repeatability | 0.1%F.S. | Safety Overload | 150% |
| Creep (30 minutes) | 0.3%F.S. | Ultimate Overload | 200% |
| Temperature Sensitivity Drif | 0.5%F.S. | Cable Specifications | ≤500N:1 Root line Φ3*5m |
| Zero Point Temperature Drift | 0.1%F.S./10℃ | Cable Ultimate Tension | >500N Root line Φ3*5m |
| Response Frequency | 10kHz | TEDS |
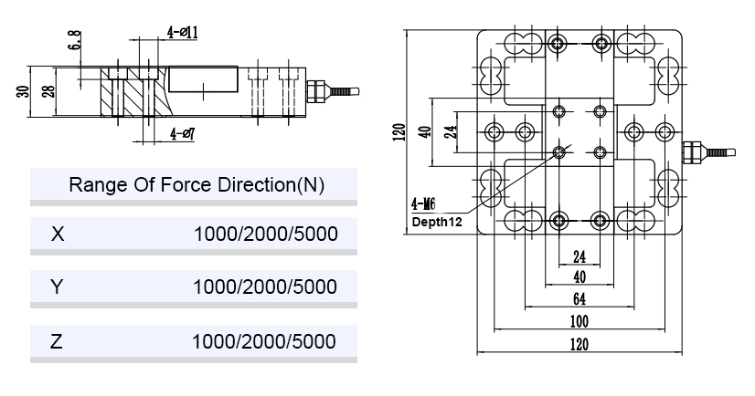
Product Size


Industry Applications

Packaging &Shipping

Company Profile











