Lifting Equipment Tower Crane Elevator Force Measurement Mechanical Engineering Alloy Steel Pin Load Cell 10 Ton Weight Sensor
Brand SOP
Product origin JiangXi
Delivery time 3-7days
Supply capacity 3000PC/day
The elastic element is a whole round shaft, which is compact in structure and simple in geometric shape, and is easy to process with high dimensional and positional accuracy. The shaft section has strong torsion resistance and bending resistance, and the stress at the neutral axis of the shaft pin is the largest; When the important official pin is subjected to vertical and horizontal bending, the section with zero bending moment is in the same section; It is easy to assemble with related load-bearing parts and convenient to use. Accept customization, and can customize different solutions according to different needs of customers.
Products Description

SOPZX-001
The elastic element is a whole round shaft, which is compact in structure and simple in geometric shape, and is easy to process with high dimensional and positional accuracy. The shaft section has strong torsion resistance and bending resistance, and the stress at the neutral axis of the shaft pin is the largest; When the important official pin is subjected to vertical and horizontal bending, the section with zero bending moment is in the same section; It is easy to assemble with related load-bearing parts and convenient to use. Accept customization, and can customize different solutions according to different needs of customers.

Product Features
1.Available in capacities from 0 to 100T
3.Alloy steel material, high strength, good load tolerance, suitable for severe environment
5.Temperature compensation technique ensures the high accuracy in different environment
6.Custom design to meet different applications
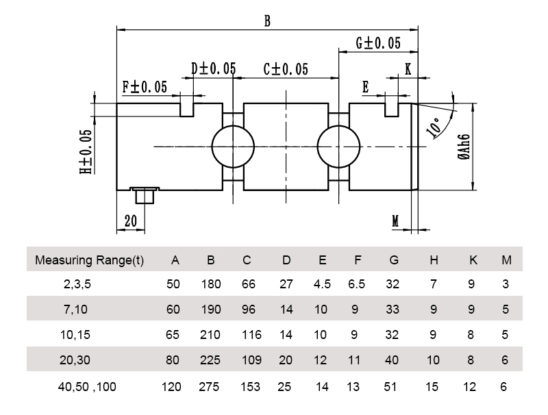
Product Size

Product Paramenters

| Capacity | 0-100T | Material | Alloy steel |
| Output sensitivity | 1.0±0.05mV/V | Impedance | 700±5Ω |
| Zero point output | ±2%F.S. | Insulation resistance | ≥5000MΩ/100VDC |
| Non-linearity | 0.5%F.S. | Operating Voltage Range | 5-15V |
| Hysteresis | 0.5%F.S. | Operating Temp Range | -20-80℃ |
| Repeatability | 0.5%F.S. | Safe overload | 150% |
| Creep(30min) | 0.5%F.S. | Maximum Overload | 300% |
| Temp.effect on output | 0.05% F.S. / 10ºC | Cable size | Φ5X3m |
| Temp.effect on zero | 0.05% F.S. / 10ºC | Cable ultimate pull | 10kg |
| Response frequency | 10kHz | TEDS | |
Applications

Product application
The built-in transmission board can directly transmit the force on the shaft to 4-20mA or other industrial signals, and adapt to the needs of different working conditions. Products are widely used in ships, cranes, electronic scales, agricultural irrigation machinery, load-bearing vehicles and other equipment, and customized axle pin dynamometer products with different requirements for different customers. A shaft is a special load cell, or the load cell itself is an integral carrier. The axle pin weighing sensor used in electronic hanging scale and traveling electronic scale is a typical representative of this structure.
Company Profile










